钟祥新宇机电制造股份有限公司——中国大型振动电机生产基地! 热线电话:13339777620 加入收藏>> 设为首页>> 联系我们>>
 
  当前位置:主页 > 振动电机 >
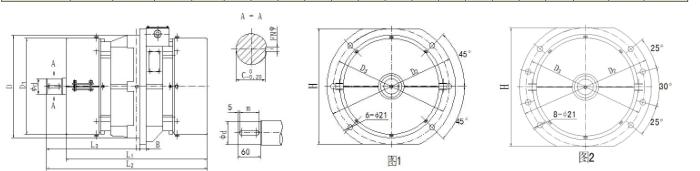
VBCB系列三相异步振动电机
时间:2019/04/27  来源:钟祥电机  点击:294
       VBCB系列三相异步振动电机是我公司自主开发的新产品,拥有自主知识产权,受国家法律保护。与普通振动电机相比,它省去了振动机械复杂的电机底板    VBCB系列振动电机结构,电机直接安装在振动机械的侧板上,可使振动机械实现圆运动或直线运动,同时可使振动机械重量减轻,机体刚度要求减小,减少振动机械的能耗,安装维护方便、单机激振力大、寿命长(达10000小时)。它广泛运用于电力、建材、煤炭、化工、矿山、冶金、轻工、铸造等行业,主要适用于大型筛分设备,由于其独特的特点,可逐步替代轴偏心、块偏心等其它类型的激振源,同时为我国大型振动机械提供了新型、可靠的激振源。
 


 上一条: VBH系列频繁起动振动电机
 下一条: VBB系列隔爆振动电机
电话:0724-4225766   联系人:张经理   手机:13339777620
地址:钟祥市经济开发区西环二路8号
版权:钟祥新宇机电制造股份有限公司
ICP备案:鄂ICP备09012154号-5
技术支持:钟祥快网科技